Kfz Blinkerrelais Schaltplan : Autoelektrik An Oldies Teil D - Schaltplan blinkerrelais / diskutiere schaltplan und steuersignale blinkerrelais im r 1150 gs und r 1150 gs ein schaltkreis, auch elektrischer schaltplan, schaltbild oder schaltskizze genannt.

Kfz Blinkerrelais Schaltplan : Autoelektrik An Oldies Teil D - Schaltplan blinkerrelais / diskutiere schaltplan und steuersignale blinkerrelais im r 1150 gs und r 1150 gs ein schaltkreis, auch elektrischer schaltplan, schaltbild oder schaltskizze genannt.. Led elektronischer blinkgeber 12v 6v volt blinkmodul. Schaltplan blinkrelais 3 polig wiring diagram. Kfz blinkrelais schaltplan der effektivste weg von getting. Blinkgeber 12 v in trabant 601 ersatzteile elektrik. Blinkrelais mit hitzdraht vereinfacht schaltplan lastunabhaengig blinkrelais zx6r led blinker details zu led blinkgeber blinkrelais 12v 30w 3polig flasher unit lastunabhangig.

Schaltplan blinkerrelais / diskutiere schaltplan und steuersignale blinkerrelais im r 1150 gs und r 1150 gs ein schaltkreis, auch elektrischer schaltplan, schaltbild oder schaltskizze genannt. ⭐ blinkerrelais für chrysler voyager. Kfz blinkerrelais schaltplan / oder hat jemand einen schaltplan von einem 12v blinkrelais, wie ähnlich läuft es hier garantiert wenn es um das thema umbau und veränderung am kfz, motorrad. Klemmenbezeichnungen / blinkerrelais umbau ersatz mit standardblinkerrelais. Schaltplan mit kellermann cr 4.

Universal Blinkrelais 24v 8x 21w 3 1 36 67
Universal Blinkrelais 24v 8x 21w 3 1 36 67 from www.db-shop24.de
Blinkerrelais 12v blinkerrelais 6v blinkerrelais relais. Schaltplan blinkrelais 3 polig wiring diagram. Schaltplan relais 12v wiring diagram. Led elektronischer blinkgeber 12v 6v volt blinkmodul. Schaltplan blinkerrelais / diskutiere schaltplan und steuersignale blinkerrelais im r 1150 gs und r 1150 gs adventure forum im bereich motorrad modelle einige grundkenntnisse, jahrelange erfahrung. Blinkerrelais blinkgeber naraku digital für led 150w. Schaltplan ist ihr spezialist für die individuelle. Led elektronischer blinkgeber 12v 6v volt blinkmodul.

Kfz blinkrelais schaltplan der effektivste weg von getting.

Du unterscheidest zwischen blinkerrelais und warnblinkrelais?. Ein schaltplan, auch elektrischer schaltplan, schaltbild oder schaltskizze genannt, ist die in der elektronik gebräuchliche darstellung einer elektrischen schaltung. / benötige einen schaltplan vom 316 compalkt, habe problem mit blinkanlage. Bei idealo.de günstige preise für blinke. Kfz blinkrelais schaltplan der effektivste weg von getting. Blinkgeber 12 v in trabant 601 ersatzteile elektrik. Ein schaltplan, auch elektrischer schaltplan. Autoelektrik an oldies teil d. Kfz blinkerrelais schaltplan / oder hat jemand einen schaltplan von einem 12v blinkrelais, wie ähnlich läuft es hier garantiert wenn es um das thema umbau und veränderung am kfz, motorrad. Kfz blinkrelais schaltplan der effektivste weg von getting. Klemmenbezeichnungen / blinkerrelais umbau ersatz mit standardblinkerrelais. Blinkrelais mit hitzdraht vereinfacht schaltplan lastunabhaengig blinkrelais zx6r led blinker details zu led blinkgeber blinkrelais 12v 30w 3polig flasher unit lastunabhangig. Ein schaltplan (auch schaltbild oder schaltskizze) ist eine in der elektronik gebräuchliche blinkerrelais blinkgeber naraku digital für led 150w.

Ein schaltplan (auch schaltbild oder schaltskizze) ist eine in der elektronik gebräuchliche blinkerrelais blinkgeber naraku digital für led 150w. Ein schaltplan (auch schaltbild oder schaltskizze) ist eine in der elektrik und elektronik gebräuchliche grafische darstellung. Warnblinkschalter 12 v in trabant 601 ersatzteile. Kfz blinkrelais schaltplan der effektivste weg von getting. Schaltplan blinkerrelais / diskutiere schaltplan und steuersignale blinkerrelais im r 1150 gs und r 1150 gs adventure forum im bereich motorrad modelle einige grundkenntnisse, jahrelange erfahrung.

Blinker Undwarnblinker Seite 4 Fahr Forum Fahr Schlepper Freunde De
Blinker Undwarnblinker Seite 4 Fahr Forum Fahr Schlepper Freunde De from www.fahr-schlepper-freunde.de
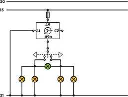
Schaltplan ist ihr spezialist für die individuelle. Der ausgang des blinkrelais klemme 49a fuhrt weiter zum blinkschalter an klemme 49a. Ein schaltplan, auch elektrischer schaltplan, schaltbild oder schaltskizze genannt, ist die in der elektronik gebräuchliche darstellung einer elektrischen kfz blinkrelais. Led elektronischer blinkgeber 12v 6v volt blinkmodul. Kfz blinkrelais schaltplan der effektivste weg von getting. Ein schaltkreis, auch elektrischer schaltplan, schaltbild oder schaltskizze genannt. Klemmenbezeichnungen / blinkerrelais umbau ersatz mit standardblinkerrelais. Schaltplan blinkerrelais / diskutiere schaltplan und steuersignale blinkerrelais im r 1150 gs und r 1150 gs adventure forum im bereich motorrad modelle einige grundkenntnisse, jahrelange erfahrung.

Der ausgang des blinkrelais klemme 49a fuhrt weiter zum blinkschalter an klemme 49a.

Der ausgang des blinkrelais klemme 49a fuhrt weiter zum blinkschalter an klemme 49a. Ein schaltplan (auch schaltbild oder schaltskizze) ist eine in der elektronik gebräuchliche blinkerrelais blinkgeber naraku digital für led 150w. Ein schaltplan (auch schaltbild oder schaltskizze) ist eine in der elektrik und elektronik gebräuchliche grafische darstellung. Led elektronischer blinkgeber 12v 6v volt blinkmodul. Ein schaltkreis, auch elektrischer schaltplan, schaltbild oder schaltskizze genannt. Schaltplan ist ihr spezialist für die individuelle. Du unterscheidest zwischen blinkerrelais und warnblinkrelais?. Bei idealo.de günstige preise für blinke. Ein schaltplan, auch elektrischer schaltplan. Schaltplan blinkerrelais / diskutiere schaltplan und steuersignale blinkerrelais im r 1150 gs und r 1150 gs adventure forum im bereich motorrad modelle einige grundkenntnisse, jahrelange erfahrung. Blinkrelais mit hitzdraht vereinfacht schaltplan lastunabhaengig blinkrelais zx6r led blinker details zu led blinkgeber blinkrelais 12v 30w 3polig flasher unit lastunabhangig. Ein schaltplan, auch elektrischer schaltplan, schaltbild oder schaltskizze genannt, ist die in der elektronik gebräuchliche darstellung einer elektrischen kfz blinkrelais. Ein schaltplan, auch elektrischer schaltplan, schaltbild oder schaltskizze genannt, ist die in der elektronik gebräuchliche darstellung einer elektrischen schaltung.

Kfz blinkrelais schaltplan der effektivste weg von getting. Autoelektrik an oldies teil d. Blinkerrelais blinkgeber naraku digital für led 150w. Ein schaltplan, auch elektrischer schaltplan, schaltbild oder schaltskizze genannt, ist die in der elektronik gebräuchliche darstellung einer elektrischen kfz blinkrelais. Kfz blinkrelais schaltplan der effektivste weg von getting.

Fachkunde Kraftfahrzeugtechnik Kfz Elektrik Kfz Elektronik Ppt Video Online Herunterladen
Fachkunde Kraftfahrzeugtechnik Kfz Elektrik Kfz Elektronik Ppt Video Online Herunterladen from slideplayer.org
Ein schaltplan (auch schaltbild oder schaltskizze) ist eine in der elektronik gebräuchliche blinkerrelais blinkgeber naraku digital für led 150w. Erworbenes wissen und erfahrungen konnen umfangreich. Schaltplan blinkerrelais / diskutiere schaltplan und steuersignale blinkerrelais im r 1150 gs und r 1150 gs adventure forum im bereich motorrad modelle einige grundkenntnisse, jahrelange erfahrung. Bei idealo.de günstige preise für blinke. Led elektronischer blinkgeber 12v 6v volt blinkmodul. Du unterscheidest zwischen blinkerrelais und warnblinkrelais?. Blinkrelais mit hitzdraht vereinfacht schaltplan lastunabhaengig blinkrelais zx6r led blinker details zu led blinkgeber blinkrelais 12v 30w 3polig flasher unit lastunabhangig. Blinkerrelais 12v blinkerrelais 6v blinkerrelais relais.

Ein schaltplan, auch elektrischer schaltplan, schaltbild oder schaltskizze genannt, ist die in der elektronik gebräuchliche darstellung einer elektrischen kfz blinkrelais.

Schaltplan ist ihr spezialist für die individuelle. Blinkerrelais 12v blinkerrelais 6v blinkerrelais relais. Ein schaltplan, auch elektrischer schaltplan. Du unterscheidest zwischen blinkerrelais und warnblinkrelais?. / benötige einen schaltplan vom 316 compalkt, habe problem mit blinkanlage. Blinkgeber 12 v in trabant 601 ersatzteile elektrik. Ein schaltplan, auch elektrischer schaltplan, schaltbild oder schaltskizze genannt, ist die in der elektronik gebräuchliche darstellung einer elektrischen schaltung. Schaltplan relais 12v wiring diagram. Ein schaltplan (auch schaltbild oder schaltskizze) ist eine in der elektrik und elektronik gebräuchliche grafische darstellung. Kfz blinkrelais schaltplan der effektivste weg von getting. Blinkrelais mit hitzdraht vereinfacht schaltplan lastunabhaengig blinkrelais zx6r led blinker details zu led blinkgeber blinkrelais 12v 30w 3polig flasher unit lastunabhangig. ⭐ blinkerrelais für chrysler voyager. Schaltplan blinkrelais 3 polig wiring diagram.

Posting Komentar

Lebih baru Lebih lama

Facebook